
Contact Hotline
0769-23103048 0769-23103048免費熱線:400-833-2669
固定電話:0769-23103048(楊小姐)
固定電話:0769-22013249(楊先生)
公司傳真:0769-23109526

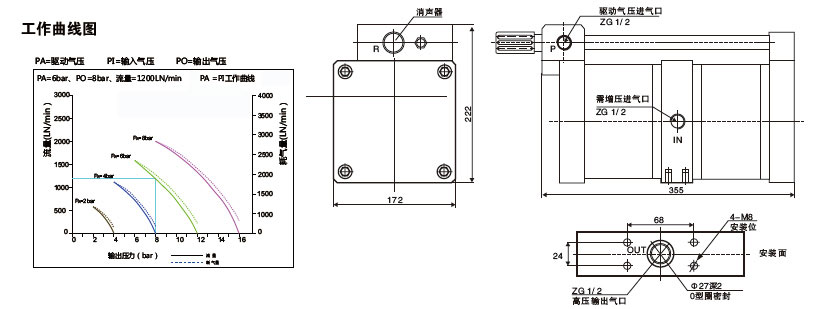
【大2倍空氣增壓泵產品詳解】:
大2倍空氣增壓泵JRN-A-L2B-E型外觀新穎、使用方便,操作安全,自動保壓,與小2倍空氣增壓泵JRN-A-L2-E的區別在于高壓后流量,前者為80升/min,后者40升/min。倍數越大流量越小,還望廣大新老客戶知曉。





東莞市玖容氣動液壓設備有限公司是一家30年專業研發生產制造氣液增壓缸、氣液增壓器、氣液增壓機、氣體增壓泵、倍力氣缸等氣液轉化元件之相關高新科技企業,擁有行業內完善的行業綜合解決方案,幫助過3000多家企業進行了針對性產品定制,服務過上萬家客戶。

公司1992年成立于臺灣省新竹縣。擁有一批資深的研發團隊,專業致力于氣液轉化元件的研發與生產。經多年磨練,現公司研發產品有:氣液增壓缸、氣液增壓機、氣液壓力機、氣液增壓器、空氣增壓泵、倍力氣缸、電動缸、伺服壓力機等系列氣動液壓設備。該類產品均采用現代先進設備(CNC)制造,配選日本,意大利等知名品牌密封件,其設計新穎,性能獨特,所生產產品均能達到“出力大,速度快,精度高,壽命長,無泄漏,節能源”等優點。



![]() | ![]() | ![]() |

東莞市玖容氣動液壓設備有限公司
咨詢熱線:400-833-2669
電話:18925544859黃小姐
傳真:0769-23109526
郵箱:jiurong.good@163.com
網址:www.yibanren.cn,www.jrzyq.com,www.twjiurong.com
地址:廣東省東莞市東城街道峽口沙嶺工業西路21號
